Корпус 2 Секция 101.3

Замок Крит вкладной ЗВк-7РМ-004( 006) (Цилиндровый)

В наличии

  • Материал: Металл
  • Производитель: Крит
Добавить в корзину Товар в корзине Убрать из корзины
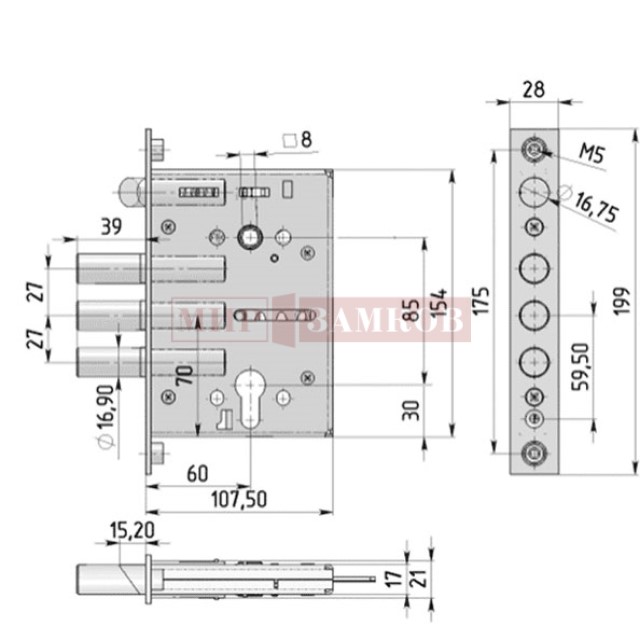
-Бэксет составляет 60 мм.
- ЗВ-7РМ оборудован засовом, который состоит из трёх штырей диаметром 16,8 мм.
- Вылет засова – 36 мм.
- Угол поворота фиксатора привода задвижки через шток квадратного сечения 8 на 8 мм равняется 32º.
- Суммарная площадь поперечного сечения трёх штырей засова без защелок составляет 665 мм2.
- Противопожарное исполнение является опцией для линейки представленных замков.
   В таких изделиях все элементы сделаны исключительно из металла. В обозначении указывается буква «П»,
   подтверждающая данное исполнение модели.
- Замки модельного ряда «РМ» могут изготовляться в противоискровом исполнении.
   В таких замках засов и защелка сделаны из латуни. Благодаря этому при соприкосновении с деталями замка из стали в процессе эксплуатации замка искра гарантированно не        появится. В обозначении замков данная опция помечается буквами «ПИ»

Мы используем cookie для улучшения работы сайта
Оставаясь на сайте вы соглашаетесь на обработку файлов cookie